產品名稱:
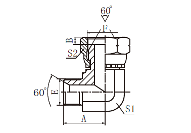
英管外螺紋/英管內螺紋60°外錐 90°彎接頭
產品系列搜索
請選擇您想要尋找的相關產品系列
產品描述

| 訂貨號 | 螺 紋 | 尺 寸 | ||||||||||
| E | F | A | B | S1 | S2 | |||||||
| B3-04/9 | G1/4"X19 | G1/4"X19 | 24.5 | 5.5 | 14 | 19 | ||||||
| B3-06/9 | G3/8"X19 | G3/8"X19 | 27.5 | 6.3 | 16 | 22 | ||||||
| B3-08/9 | G1/2"X14 | G1/2"X14 | 34.5 | 7.5 | 22 | 27 | ||||||
| B3-12/9 | G3/4"X14 | G3/4"X14 | 40 | 10.9 | 27 | 32 | ||||||
| B3-16/9 | G1"X11 | G1"X11 | 46 | 11.7 | 33 | 41 | ||||||
| B3-20/9 | G1.1/4"X11 | G1.1/4"X11 | 50.5 | 11 | 41 | 50 | ||||||
| B3-24/9 | G1.1/2"X11 | G1.1/2"X11 | 57.5 | 13 | 48 | 55 | ||||||
| B3-32/9 | G2"X11 | G2"X11 | 72.5 | 16 | 63 | 70 | ||||||